


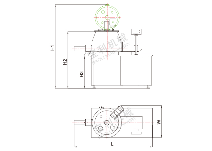
| 型號 | 主要結構尺寸 | 容積 | 最大混合量 | 切割轉速 | 混合轉速 | 攪拌功率 | 制粒功率 | ||||
| L | W | H1 | H2 | H3 | L | KG | Rpm/min | rpm | KW | KW | |
| HLSG-50 | 2000 | 850 | 1700 | 1200 | 750 | 50 | 30 | 50-3000 | 100-400 | 5.5 | 3 |
| HLSG -100 | 2550 | 970 | 2300 | 1730 | 1200 | 100 | 40 | 50-3000 | 80-270 | 11 | 4 |
| HLSG -200 | 2750 | 970 | 2560 | 1890 | 1260 | 200 | 80 | 50-3000 | 80-270 | 15 | 5.5 |
| HLSG -300 | 2950 | 970 | 2750 | 2070 | 1400 | 300 | 120 | 50-3000 | 60-220 | 22 | 7.5 |
| HLSG -400 | 3000 | 1220 | 2800 | 2130 | 1400 | 400 | 160 | 50-3000 | 50-220 | 30 | 7.5 |
| HLSG -600 | 3000 | 1220 | 3200 | 2500 | 1650 | 600 | 240 | 50-3000 | 40-180 | 37 | 11 |
| HLSG -800 | 3200 | 1300 | 3350 | 2650 | 1650 | 800 | 320 | 50-3000 | 30-120 | 45 | 15 |